The U.S. hemp and CBD processing sector is entering a period of industrial transition, with manufacturers under pressure to demonstrate consistent quality, safety and scalable production.
Currently, federal policy discussions are unresolved, with proposals advancing along divergent trajectories. One approach, embodied in the Hemp Enforcement, Modernization, and Protection (HEMP) Act, seeks to eliminate the “hemp loophole” by constraining intoxicating cannabinoid derivatives while maintaining commercial pathways for non‑intoxicating CBD products. A contrasting regulatory signal arises from the proposal to allow Medicare reimbursement for specific hemp‑derived CBD formulations, suggesting possible classification of CBD within a quasi‑pharmaceutical regulatory architecture.
Regardless of how regulations evolve, producers will require manufacturing systems capable of meeting higher standards for safety, quality and traceability. This includes quantifiable process repeatability, validated unit operations, well‑defined mass and energy balances, and robust environmental and occupational‑safety controls.
The post‑war evolution of the oilseed extraction industry offers a relevant analogue. Over five decades, the sector transitioned from labor‑intensive batch extraction to fully continuous, integrated solvent‑extraction systems. Crown Iron Works contributed to this shift by introducing scalable, energy‑efficient infrastructure that reduced operating costs while improving product consistency. Because hemp biomass exhibits extraction behaviors similar to major oilseeds such as soybean, canola and sunflower, these processing innovations translate directly to hemp and CBD oil manufacturing.

1. Continuous Countercurrent Extraction Systems
A principal driver of cost reduction in oilseed processing was the adoption of continuous, countercurrent solvent‑extraction technology. For hemp processors, these systems provide operational advantages:
- Labor minimization and operator safety: Automated feed, discharge and solvent‑flow regulation enable a single operator to manage facility throughputs from pilot‑scale (1 TPD) to industrial scale (>10,000 TPD). Reduced manual handling mitigates solvent exposure and improves reliability.
- Solvent‑to‑feed efficiency: Countercurrent flow maximizes concentration gradients, lowering solvent‑to‑feed ratios while achieving higher extraction efficiency. This reduces solvent consumption, downstream recovery load and overall energy demand.
Extraction System Typologies:
- CPM Crown Percolation Model III Extractor
- Immersion CPM Crown Model IV Extractor
Both extraction technologies common to the oilseed industry can be applied to hemp biomass:
Percolation Extractors
Solvent percolates through the solids bed and is recirculated until target solute concentrations are reached. Material transport occurs across stationary screens, enabling predictable residence time distribution. Percolation is most effective for biomass that maintains structural permeability under solvent saturation.

Immersion Extractors
These systems transport solids through a fully flooded solvent bath flowing countercurrent to the direction of solids. Immersion extraction is optimal for:
- Fine‑particle feedstocks
- Pelletized hemp that has undergone secondary size reduction
- Materials that exhibit excessive percolation rates and therefore poor solvent retention
Typical throughput ranges from 50–60 TPD, making immersion extractors suitable for mid‑tier CBD oil or specialty ingredient manufacturing.
2. Desolventizing Technologies
As plant capacity increases, desolventizing operations must maximize solvent reclamation while maintaining product integrity. Two desolventization approaches are used depending on the economic value and thermal sensitivity of the solids.
Desolventizing Low‑Value Solids

In CBD extraction, post‑extraction biomass often has limited economic value. Therefore, high‑temperature desolventizing is acceptable. Vertical desolventizer‑toaster (DT) units use stacked, steam‑heated trays with mechanical sweep arms to ensure uniform residence time. Material discharge temperatures exceed 100°C, and stripping steam is injected to reduce residual solvent concentration to parts‑per‑million levels. This process prioritizes solvent recovery rather than preservation of solids functionality.
Desolventizing High‑Value Solids
Processing of high‑value protein fractions—such as hemp protein concentrates—requires low‑temperature desolventization to prevent thermal denaturation. These systems generally deploy a dual‑stage configuration:
- Primary desolventizer (atmospheric): Removes bulk solvent at temperatures below critical denaturation thresholds (often ≤80°C, depending on protein structure).
- Vacuum stripper: Lowers boiling points via reduced operating pressure, allowing final solvent removal without exceeding allowable thermal exposure.
Solvent physicochemical properties directly affect desolventization parameters. Hexane’s 69°C boiling point is well aligned with protein‑preservation constraints. Ethanol, fully miscible with water, introduces additional complexity—requiring azeotrope management and higher‑energy rectification to achieve reusable solvent purity.
Regardless of the value of solids, solvent‑recovery systems incorporating condensers and closed‑loop vapor handling are essential to limit fugitive emissions and reduce costs.
3. Oil Refining and Distillation System Architecture
Post‑extraction miscella requires distillation to recover solvent and generate crude CBD oil. System configuration is solvent‑dependent:

- Hexane systems: Leverage immiscibility with water to achieve clean phase separation via a solvent–water settling tank (work tank). This minimizes downstream purification demands.
- Ethanol systems: Because ethanol retains extracted water, distillate streams remain water‑laden and require additional rectification. Ethanol‑water azeotrope necessitates specialized dehydration steps. Recent advances in solvent‑recovery technology developed by CPM Crown have significantly reduced these energy burdens.
Solvent selection affects extract composition: hexane tends to extract fewer waxes than ethanol, decreasing or eliminating winterization requirements.
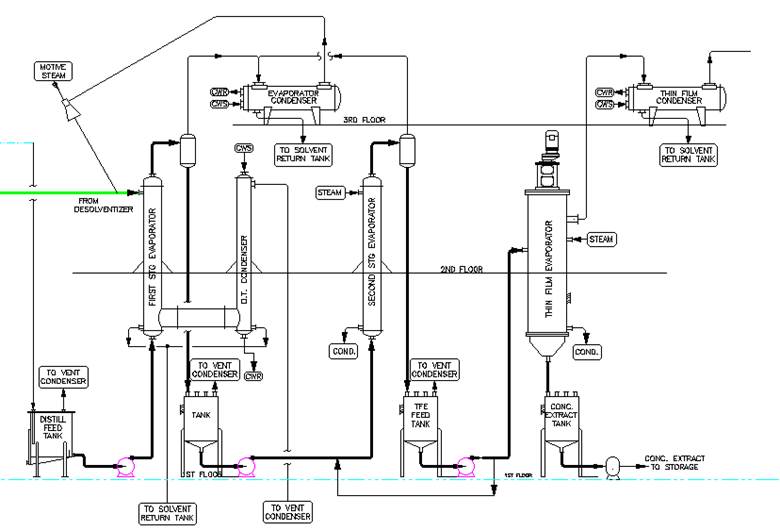
Evaporation and Stripping
Multi‑stage rising‑film evaporation, widely used in oilseed processing, offers high thermal efficiency through heat cascading:
- First‑stage evaporator: Uses low‑grade or waste heat to remove the majority of solvent.
- Second‑stage evaporator: Applies steam‑heating to achieve higher concentration.
- Final stripping stage: Uses a thin‑film evaporator (TFE) or conventional stripping column. Depending on temperature and residence time, partial decarboxylation may occur.
4. Mass and Energy Integration
Modern solvent extraction facilities depend on integrated, plant‑wide mass and energy balancing. Heat‑recovery systems—such as vapor recompression and multi‑effect evaporation—reduce specific steam and electricity demand, while automation enables single‑operator control with safety interlocks and environmental compliance.
Conclusion

The oilseed extraction industry took more than 70 years to reach full technological maturity. In contrast, the hemp/CBD sector can accelerate its development by adopting these proven processing technologies. New solvent‑system advancements, including CPM Crown’s Monarc alcohol‑based extraction platform, further improve safety, sustainability and food‑grade performance.
The CPM Crown Innovation Center in Blaine, Minnesota provides a controlled environment for pilot‑scale hemp extraction using hexane, ethanol and alternative solvents. The facility supports throughputs ranging from as low as a few kgs to up to 2 tons per day. . Processors can evaluate percolation and immersion extraction, atmospheric and vacuum desolventization, and multiple distillation configurations. On‑site testing enables process scale‑up, sample collection, and risk mitigation under strict confidentiality.
By partnering with CPM Crown, hemp and CBD processors gain access not only to industrial‑grade extraction technologies but also to comprehensive lifecycle support through the LifeCycle360 service platform, ensuring long‑term operational reliability, optimization and compliance.
















